

|
Pine |
Ingoa |
Mahi |
|
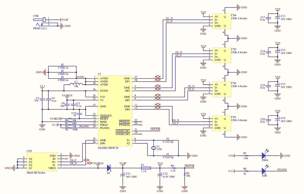
1 |
Aved |
3.3v Te whakauru mana o te Anei mo nga Whanui Aelog |
|
2 |
DM2 |
Raraunga 2 Raraunga tauranga - |
|
3 |
DP2 |
Raraunga 2 Raraunga Port + |
|
4 |
Rref |
Tūhono 680ohms te ātete i waenga i te rref me te Agnd |
|
5 |
Aved |
3.3v Te whakauru mana o te Anei mo nga Whanui Aelog |
|
6 |
X1 |
12mhz Oscillator Input |
|
7 |
X2 |
12mhz Oscillator Input |
|
8 |
DM3 |
Raraunga 3 Raraunga Port - |
|
9 |
DP3 |
Raraunga 3 Raraunga Port + |
|
10 |
Aved |
3.3v Te whakauru mana o te Anei mo nga Whanui Aelog |
|
11 |
DM4 |
Raraunga 4 Raraunga Port - |
|
12 |
DP4 |
Heke iho 4 raraunga tauranga + |
|
13 |
Tautuhi anō |
Tautuhi iti o waho |
|
Rongo 14 |
Whakamatau / SCL |
Ka uru te maramara ki te aratau whakamatautau mena ka kumea te karaka teitei / i2c
whakaputanga |
|
15 |
Tūtiro |
Whenua |
|
16 |
DVDD |
3.3V Input mana mamati mo nga porowhita mamati, arorau
Tairanga |
|
17 |
Kōkonga |
0: Ko te Gl850g te pahi pahi, 1: Gl850g he mana-whaiaro |
|
Ng 18 |
Pgang |
Takitaki Takitahi / Gang Tīpakohia |
|
19 |
Ovcur2 |
He iti noa te tohu mo te tohu o naianei |
|
20 |
Pwren2 |
Ka kaha te kaha o te kaha ki te whakaputa |
|
21 |
Ovcur1 |
He iti noa te tohu mo te tohu o naianei |
|
22 |
Pwren1 |
Ka kaha te kaha o te kaha ki te whakaputa |
|
23 |
V5 |
5v ki te 3.3v Input |
|
24 |
V33 |
3.3v Putanga Regulator |
|
25 |
DM0 |
Raraunga tauranga Upstream - |
|
26 |
DP0 |
Ko nga raraunga tauranga Upstream + |
|
27 |
DM1 |
Raraunga 1 Raraunga tauranga - |
|
28 |
DP1 |
Raraunga 1 Raraunga Port + |
|
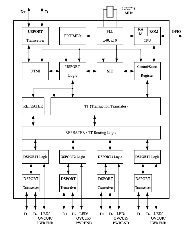
Āhuatanga |
Whakaaturanga |
|
USB Tohu |
Whakarite ki te whakahou i te USB Whakahoahoa 2.0;whakamuri
hototahi ki te tautuhi USB 1.1. |
|
Tauranga whakarunga |
Ka tautokohia e rua nga tere (HS) me te tere-tere (FS)
whakawhitinga. |
|
Tauranga heke iho |
Ka tautokohia nga HS, FS, me te iti-tere (LS) te tere. |
|
Putorino |
1 Porohita Whakahaere (Endice 0, 64-paatene utu utu utu);1
putorino putorino (mutunga 1, 1-byte utu utu). |
|
Mutokoro |
-Chip-chip 8-bit microprocessor me te hoahoanga o te resc-rite
me te huinga ako-a-USB. |
|
Mahinga |
6 MUPS @ 12 MHZ. |
|
Pūmahara |
64-Byte RAM me te 4K Mask Mask. |
|
Pid / vid |
I tautokohia ma te EPBU o waho / SMBU. |
|
Whirihoranga Port |
I tautokohia ma te EPBU o waho / SMBU. |
|
Kotahi te kaiwhakamaori whakawhiti kotahi (stt) |
Ka tohatoha i te arorau a TT taua mo te tauranga whakaheke katoa
Pūrere (otinga-utu utu). |
|
Te Whakapiri Whakawhitiwhiti |
Whakauru atu ki te USB 2.0 Transceiver. |
|
Taraiwa putanga |
Kua pai ake me te whakahaere-utu mo te whakaheke EMI. |
|
Te whakahaere mana |
Hanga-i roto i te 5V ki te 3.3v Regulator. |
|
Te kitenga-kore-kore |
Ko te kitenga-kore-kaha o roto mo te whakaora ESD. |
|
Ko nga kai-heke-heke iho / |
I hangaia-i roto i te pikinga 1.5kω toia;Te heke iho 15kω
toia-iho. |
|
Pll |
Ka hangaia te PLL ki te PLL i waho o te karaihe o te 12 MHZ Crystal / Oscillator
Te urunga karaka. |
|
Turoro rangatū |
Whakapaihia te kaiwhakamahara rangatū mo nga tohu USB. |
|
Tautoko mana iti |
Ka tautokohia te aukati i te huringa, LPM L1 (ma te EPROM). |
|
Aratau Mana Matapihi atamai |
Ka tautokohia e ia nga momo whakahaere mana takitahi me te roopu
me te kitenga o tenei wa. |
|
Mana pahi |
Kia rite ki nga whakaritenga mana pahi;Te whakawhiti aunoa
i waenga i nga momo taangata-a-pahi me te pahi. |
|
Te ngawari o te whirihoranga Port |
He whirihora ma te SMBUS / EPROM. |
|
Tautoko Pūrere Whakahau |
Ka taea e ahau te hono atu ki te / o SMBU, EEPROM ranei. |
|
Kei te waatea nga paanui |
- 28-pin qfn (5x5 mm) |
|
- 28-pine SSOP (209 Mil) |
|
|
- 24-pin qfn (4x4 mm). |
• Gl852g
• FE1.1s
• pl2586


I tua atu i te Crystal Oscillator me nga tauranga USB, te Gl850g Ko te USB Hub e hiahia ana ki te kaiwhakawahanga whakaputa hei whakarite kia tika te tātari me te pumau o tona kaha mana.I tua atu, he pai nga kai whakaohooho mo nga titi whirihoranga hei pupuri i nga taumata ngaohiko e tika ana kia taea ai te mahi pono.
Ko te Gl850g e whakaatu ana i te whakapae i roto i te whānuitanga o nga taputapu hiko, tae atu ki nga rorohiko a te USB USB, rorohiko, papa, papaahi, nga wharepukapuka petipeti, me nga kaitirotiro LCD.Ko tana tautoko motuhake mo nga mahi USB whai kiko e whakanui ana i to wheako puta noa i nga waahanga rereke.
Ko te whakauru i te Gl850g ki nga Hubs USB e tuku ana i te hono honohono, me te whakaputa i te mana hiko, me te whakatutuki i te pai o te papapa taura.Ko te whakauru i taua hangarau ki roto i nga taiao o ia ra e tohu ana i te nekehanga ki nga waahanga ergonomic me te raarangi.
Mo nga rorohiko me nga papa, ko te Chip Gl850G te arotau i nga reiti whakawhiti raraunga, te whakatairanga ake i nga mahi a te taputapu ki te tono tono me nga mahi taimaha.Ko taua whakauru e poipoi ana i te kaha mo te pai ake o te maha o nga mahi me te whai hua.Ka taea e koe te kite i nga whakapainga iti i roto i te tuku raraunga ka tino pa ki o raatau wheako me o raatau makona.
Ka tono ana ki nga papaahi, ko te whakawhitiwhiti korero a Gl850G i waenga i nga waahanga, te whakatairanga i te whakautu ki te punaha me te whai hua.Kei te tautoko tenei aroata i a koe ki te whakapiki i nga mahi mahi nui, te whai hua ki te whakamahi whaiaro me nga taiao ngaio e tino manakohia ana te mahi.
I nga teihana whiu, ka whai wāhi nui te Gl850g ki te whakawhānui i te hono me te whakamahi i nga hononga taapiri tuuturu.Ko tenei whakahoutanga he hiahia mo nga mahi ngawari ma te pai o te hono i nga taputapu kawe me nga whirihoranga papamahi whanui.
Ko te whakamahi i te maramara i nga whare pukapuka petipeti e whakarite ana i te whakawhiti raraunga me te tautoko peripheral, te whakarei ake i to mahi.Ko tenei arotahi ki te mahi e hono ana ki nga tumanakohanga a nga kaihoko mo nga haerenga petipeti kore, kei hea nga whakarei ake i nga whakarei.
Ko te whakaurunga o te Gl850g ki nga arotiruki LCD e whakahaere ana i te mahinga o nga tauranga USB, e whakatairanga ana i nga whakatakotoranga ma te tango i nga mea e tika ana mo nga taapiri.Ko enei ahunga whakamua e hono ana ki te maarama hohonu o te maarama me te honohono honohono me te honohono honohono me te makona.

Tena koa tukuna mai he uiui, ka whakautu wawe taatau.
i te 2024/12/17
i te 2024/12/17
i te 8000/04/18 147757
i te 2000/04/18 111931
i te 1600/04/18 111349
i te 0400/04/18 83719
i te 1970/01/1 79508
i te 1970/01/1 66885
i te 1970/01/1 63010
i te 1970/01/1 62983
i te 1970/01/1 54081
i te 1970/01/1 52108