

|
PIN nama |
Ingoa pin |
Whakaaturanga |
|
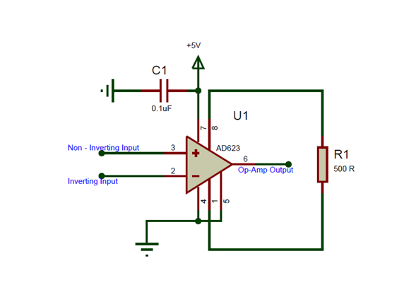
1 |
Whiwhi (-RG) |
Ka whai hua te whakauru ki te aukati ki te whakatu i te hua
wāriu |
|
2 |
Te huri i te whakauru (In-) |
Ko te PIN whakaweto o te OP-AMP |
|
3 |
Te whakauru kore-aukati (i te +) |
Ko te PIN whakauru kore-aukati i te Amplifier |
|
4 |
Mana (-vs) |
Te mutunga o te toha |
|
5 |
Kōrerotanga |
Whakaurua te urunga tohutoro.Ko te tikanga hono ki te noa |
|
6 |
Whakaputanga |
PIN putanga Pin |
|
7 |
Te mana (+ vs) |
Te Whakamutunga Toi |
|
8 |
Whiwhi (+ RG) |
Ko te moni kore-kaha e hono ana ki te aukati ki te whakatu
riro te uara |
|
Tohu / Tohu |
Taipitopito |
|
Tuhinga |
Ko te Whakanoho-Rohe-ki-Rohe |
|
Taha Taha |
Ka whakahaerea me te huringa kotahi me te rua |
|
Te whakahaere i naianei (Max) |
550 μ |
|
Whiwhi RANGE |
1 ki te 1000 |
|
Hōupū |
800 khz |
|
Whiwhi anga |
Whakatakotoria he taonga me te kotahi noa iho |
|
Kōwhiringa mōkihi |
8-Pin Pdip, Sosic, me VSSOP |
• IA333
• Lm4871
• Ad620
• IC6283
• JRC4558
Te whakatu i te Ag623 Ko te tino tukanga tika, ko te nuinga o te waa ki te tautuhi i te painga.Ko tenei ngawari ko tetahi o nga ahuatanga e pa ana ki te Ad623, ka taea te whakatata atu ki a koe.Ko te whirihoranga angamaheni e hono ana ki te hono i te IC ki tetahi taputapu + 5V i te wa e kii ana i te tima 4

Ko nga tohu whakauru ka whakamahia ki te kore-aukati (pin 2) me te hurihuri (pin 3) pinehia te pine tohutoro (Pin 5).Ko te whakatau i tenei PIN e whakarite tika ana i te wa kaore he rereke i waenga i nga tohu whakauru, na reira e whakaiti ana i nga hapa o te tohu tohu.Ko tenei mahinga e whakaatu ana i tetahi tino kaupapa ki te hoahoa porotaka: Ko te pupuri i te tohu tohutoro pumau he hihiri mo nga inenga tika me te pono.
Ko te whakatikatika i te hua o te Ad623 ka tutuki ma te whakauru i te arai i waenga i te titi 8 (RG) me te titi 1. Hei tauira, ma te whakamahi i te 500-ohm i roto i te painga o te 100Hei whakatutuki i nga hiahia tono motuhake.

Hei taapiri, ka taea e koe te tātai i te hua ma te whakamahi i tetahi tauira tauira, tohutoro ranei, hei whakauru i nga tikanga o te hunga whakakeke.Ko te tino whai hua e whai hua ana ki te whai hua ki nga ahuatanga tuuturu i reira ka taea te whakatau i nga tohu tohu.
|
1% te uara tepu STD o te RG (ω) |
Te tatauranga hua |
0.1% te uara o te tepu RG
(Ω) |
Te tatauranga hua |
|
49.9k |
1.990 |
49.3k |
2.002 |
|
12.4k |
4.984 |
12.4k |
4.984 |
|
5.49k |
9.998 |
5.49k |
9.998 |
|
2.61k |
19.93 |
2.61K |
19.93 |
|
1.00K |
50.40 |
1.01k |
49.91 |
|
499 |
100 |
499 |
100.0 |
|
249 |
199.4 |
249 |
199.4 |
|
100 |
495 |
98.8 |
501.0 |
|
49.9 |
991 |
49.3 |
1,003 |
He pai te pai o te Ad623 mo te whānuitanga o nga tono whai kiko.Ko tana whaarangi e tuku ana i te whakamarumaru me te whakamatautau i nga taputapu rongoa, iti-hiko, nga kaiwhakamaori rereketanga, nga punaha hoko raraunga, me nga punaha whakahaere.Ko te hoahoa o te Ad623 e kaha ana ki te whai huatanga me te tino tika, na te mea e manakohia ana i roto i nga ahuatanga e pa ana ki enei ahuatanga.
I roto i te whakamaoritanga me te whakamatautauranga whakamatautau, ko nga ahuatanga haruru o te AD623 he nui te tangi me te tika o te tika e tu ana hei painga nui.Ko enei waahanga ka taea e ngahutia te whakarite i te mahi hihiri ki te whakaū i te pono o nga taonga.Hei tauira, i te wa o te kohinga sensor, te pupuri i te pono o te tohu i te wa e whakaitihia ana te kohi kaha me te whakamatau i nga mahi whakamatautau.Kei roto i tenei waahanga etahi mea tino nui i roto i nga taiwhanga, kei te whakamahi tonu nga taputapu, me te kaha o te kaha ki te whakaheke i nga utu whakahaere.
Kei te piki haere te waahanga rongoa mo nga taputapu e whakaatu ana i nga panui tika i te wa e pau ana te mana iti.Ko te Ad623 e whai kiko ana ki te tuku i tenei tono ma te whakarato i te kai-kore-kaha me te kore e whakaekea.I roto i nga tono penei i nga taputapu tātaritanga kawe me te aro turuki i te hauora, ko te kaha ki te whakahaere i nga puna hiko e whakarei ana i te manawanui me te whakamarie.Ano, ko te whakaurunga o taua hangarau ki te aro turuki i te hauora ka tino pai ake nga hua o te manawanui, ka rite ki te aro turuki i nga wa katoa ka taea.
I roto i nga ahuatanga e hiahia ana ki te ine i te inenga o nga tohu iti i roto i te haruru, te kaha o nga kaiwhakamaori rereke.Ko te Ad623 e kaha ana i tenei rohe, e tuku ana i te aukati i te aratau noa me te whakauru nui.Ko enei ahuatanga ka taea e te Amptifier te tukatuka i nga tohu mai i nga momo puna, tae atu ki nga tohu o te pāmahana, ka whakamahia i roto i nga horopaki ahumahi me nga Rangahau.Na roto i te whakauru i te Ad623, ka taea e koe te whakarite i nga punaha kaore noa i te whakarei ake engari ka tukuna ano e koe nga raraunga tino nui ki nga taiao whakawero.
Ko te Ad623 te mea nui ki nga punaha hoko raraunga, ka whakahaere i te kohinga tika me te tukatuka i nga tohu taatai.Ko tana mahinga pai i te mana iti ka pai ki te nuinga o te waa mo nga taputapu whakahaere-whakahaere, kei te piki haere tonu ki nga tono aroturuki mamao.Ko te whakakotahitanga o aua punaha me nga raraunga tātari matatau ka taea te whakaputa i nga whakataunga whakatau, ina koa ko nga mara e rite ana ki te aro turuki i te taiao me te ahuwhenua taiao.Ko nga mohiotanga i ahu mai i enei punaha ka taea te whakaputa i nga auaha me nga whakapainga puta noa i nga waahanga maha.
I roto i nga punaha tukanga whakahaere, ko nga ahuatanga o te Ad623 e taea ai te whakahaere me te tika o te whakahaere.Ko tenei kaha ka whakamahia i roto i te automation me nga tono ahumahi kei te kaha te tukatuka raraunga.Ko te kohi mana iti o te Amplefier e whai kiko ana ki te kaha o te punaha whakahaere, e tuku ana mo nga whakaritenga pumau.Ka rite tonu ki te whakamahi i nga umanga ki te tango i te automation, ko te hiranga o te whai hua me te tino tika penei i te Ad623 ka nui te taraiwa ki te taraiwa me te whakarei ake i nga kaha whakahaere.

Tena koa tukuna mai he uiui, ka whakautu wawe taatau.
i te 2024/12/26
i te 2024/12/26
i te 8000/04/18 147757
i te 2000/04/18 111934
i te 1600/04/18 111349
i te 0400/04/18 83719
i te 1970/01/1 79508
i te 1970/01/1 66899
i te 1970/01/1 63010
i te 1970/01/1 63010
i te 1970/01/1 54081
i te 1970/01/1 52120