
Te 74LS08 E wha nga waahanga rereke e karapoti ana i nga waahanga e rua me nga keti, e rua nga whakauru, he tango i nga kaiwhakaari Schottky hei whakahaere i nga mahi arorau tere.He maha nga wa e whiriwhiri ana i te 74LS08 mo nga punaha matihiko, kei hea te urupare tere me te mahi auaha.Ko tana hoahoa e tautoko ana i nga mahi arorau i roto i te whakahiato me te whakawhitiwhiti korero, kia pai ai te whakatika i nga mahi puta noa i te whānuitanga o nga uaua o te huringa.Ko te whakauru i te 74LS08 e hiahia ana kia whakamahere.Me whakarite e koe kia pai te raru me etahi atu waahanga, whakaarohia nga waahanga penei i te pono me te kaha o te mana.He maha nga wa e whakamarama ana nga wero i enei waahanga, he pai ki a raatau nga huarahi ki te whakatau tika.Ko te 74LS08 te whakanui i te tukatuka arorau me tana tere me te tino whakawhirinaki.Ka taea e tana whakaurunga whakaaro nui te pikinga ake i nga kaha o te huringa, te pupuri i te hoahoa hangarau.Ko nga tirohanga mai i nga tauira e pa ana ki nga hua whakarei ake, ki te whakaatu i te hononga o enei hangarau.
• 74LS73
• 74LS00
• 74LS02
• 74LS04
• 74LS138
• SN54LS08
• 7408
• Hef4081

|
PIN nama |
Whakaaturanga |
|
Me te kuwaha 1 |
|
|
1 |
A1-Input1 of Gate 1 |
|
2 |
B1-Input2 o te Gate 1 |
|
3 |
Y1-Putanga o te Gate1 |
|
Me te kuwaha 2 |
|
|
4 |
A2-Input1 of Gate 2 |
|
5 |
B2-Input2 o te Gate 2 |
|
6 |
Y2-Putanga o te Kaha2 |
|
Me te kuwaha 3 |
|
|
9 |
A3-Input1 of Gate 3 |
|
10 |
B3-Input2 o Gate 3 |
|
8 |
Y3-Putanga o te Kaha |
|
Me te kuwaha 4 |
|
|
12 |
A4-Input1 of Gate 4 |
|
13 |
B4-Input2 o te Gate 4 |
|
11 |
Y4-Putanga o te Gate4 |
|
Nga Whakamutunga Tiri |
|
|
7 |
Gnd- hono ki te whenua |
|
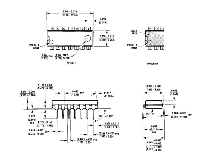
Rongo 14 |
I hono a VCC ki te ngaohiko pai hei whakarato i te mana ki te
E wha nga tatau |


Ko nga whakaritenga hangarau, nga tohu, me nga taatai o te Signetics Corp 74LS08, tae atu ki nga waahanga me nga whakaritenga whakarite ki te 74LS08N.
|
Tuhinga |
Parapara |
|
Maunga Matapihi |
Kāo |
|
Waehere HTS |
8542.39.00.01 |
|
Puka Tono |
Mā-rua |
|
Taha Taha |
5v |
|
Te tohu tohu tohu |
Ehara i te tohu |
|
Hoatu te ngao-max (vsup) |
5.25v |
|
Hoatu-Minita (VSUP) |
4.75v |
|
Tuhinga o mua |
2 |
|
Te wa whakaroa (TPD) |
20 ns |
|
Tuhinga o mua |
Rongo 14 |
|
Tūnga kāpene |
Takirua |
|
Te maha o nga mahi |
4 |
|
Waehere Jesd-30 |
R-pdip-t14 |
|
Pāmahana whakahaere (max) |
70 ° C |
|
Te tohu pāmahana |
Tauhokohoko |
|
Whānau |
Ls |
|
Momo ic Momo |
Me Gate |
Ko te 74LS08 te whakahaere i te waatea i runga i te toha 5V, te tuhi i te mana iti.Ko tenei ahuatanga ka whakarei ake i tana tono mo nga hoahoa o te pākahiko, kei te whai waahi te tiaki i te kaha ki te roa o te ao.Hei taapiri, ko te iti o te mana e tuhi ana i nga awhina ki te pupuri i te pāmahana o raro, whai hua ki nga whakaritenga porowhita.
Ka taea e ia tatau te tuku ake ki te 8Ma, he pai te whakahaere i nga waahanga arorangi TTL.Ko tenei kaha o naianei ka whakarite i te hototahi ki nga waahanga mamati rereke.I roto i te hoahoa o te punaha, he pai ki te whakahaere i ia tatau i roto i tenei paepae o naianei ki te karo i nga kakahu kaore e tika ana me te aukati i te kaha o te IC.
Ko te whakaatu me te hinga i nga wa 1800, ko nga tohu 74LS08 e tika ana kia tere te tere.Ko enei waahanga wa e whakatutukihia ana ki nga kaupapa mamati ka hiahiatia ana nga waa tauhohenga tere me te kore e taea te taake te kaha tere-tere.Ko tenei toenga o nga ropu ka maioha, na te mea e mau ana i te mahi pumau me te kore e whakaputa i etahi atu waahanga.
He pakari te IC ki te tuunga o te pāmahana o te rokiroki mai i te -65 ° C ki te 150 ° C.Ko tenei momo whanui e tohu ana i te oranga o te 74LS08 i te wa e rokiroki ana i te wa e rokiroki ana me te whakawhiti i nga momo taiao, ka whakaiti i te kino.Ka whai hua ki nga kaiwhakanao me nga tohatoha tohatoha i roto i nga mahi arorau o te ao, te aukati i nga wero rokiroki puta noa i nga huanga rereke.
Ko te 74LS08 ka kitea i te ngakau o te hoahoa porowhita mamati, he maha nga wa e mahi ana hei waahanga mo nga punaha arorau.Ko tana tuuturu me te tere tere kia pai ai te tono mo nga tono penei i nga waahanga porowhita, flip-flops, me nga whirihoranga gate gate.Ko tenei mahinga e taea ana i roto i nga ahuatanga whaihua ka whakarei ake i te kaha o te hoahoa tohu me te whakatutukitanga.
I roto i nga taiao tūmau, e whai wāhi nui ana te 74LS08 ki te arahi i nga rerenga raraunga me te whakahaere i nga tohu mana whakahaere.Ko tona matatau ki te whakahaere me nga mahi arorau e whakahaere ana i te tukatuka me te whakawhitiwhiti korero i waenga i nga waahanga, e whakaatu ana i tana mahi pono ki te tautoko i te pono o te whakahaere.
I roto i nga hoahoanga maumahara, ka tohu te 74LS08 ki te whakahaere ki te whakarite kia rite tonu nga raraunga.Ko te kaha o te whakaaro arorau e whakahaere ana i nga mahi panui / tuhi, ka hangaia he turanga pumau mo te urupare me te whakamana raraunga.Ko enei tono e whakaatu ana i tana mahi ki te whakapai ake i te pono o te raraunga me te whai huatanga o te punaha.
I roto i te ao o ALUS, ka awhina nga tohu 74LS08 ki te whakahaere i nga mahi pāngarau me te tohu raraunga.Ki te kaha o te whakahaere tere, ka taea e ia te huri i nga mahi arorau, te koha ki te tukatuka i te tukatuka arite.Ko enei ahuatanga e whakaatu ana i tona takoha ki te aro ki nga mahi rorohiko me te whakanui i te tere tukatuka.
Ko te 74LS08 e whakamahia ana mo nga mahi tika me te arorau puta noa i nga waahanga hiko.Ko tana hoahoa Schottky e whakaiti ana i te whakarereke i nga whakataunga, te mea e tika ana mo nga tono tere-tere e hiahia ana ki te tukatuka arorau tere.Ko tenei pukenga e whakaatu ana i tona whakatikatika puta noa i nga tono hiko rereke.
Ko nga tono whanui o te 74LLS08 i runga i te tohu i tona mohiotanga i roto i te hangarau hou.Ma te uru atu ki nga punaha maha, ka pai ake te whakahaere me te pono ki nga waahanga maha.Ko tana mahi pumau i roto i nga waahanga rerekee e whakaatu ana i te maarama nui ki nga tikanga hoahoa hiko.

Ko te 74LS08 ic te mahi i roto i nga punaha arorau mamati, he pai ki te whakahaere me nga mahi.Ma te kaha ki te kaha ki te kawe i nga keti maha i te wa kotahi, he tino uara ki nga tautuhinga e noho tere ana te urupare me te pono.Te whakamahi i te Hangarau TrastTy Transcistor, ko te 74LS08 e whiti ana ki te tuku i te tukatuka tere, he mea nui ano te huringa o te rautau hou.Ko nga kaiwhaiwhai a Schottky e kawe ana i te whakarei ma te tapahi i te whakaroa o te whakahekenga.Ko nga punaha e tono ana i nga mahinga tere e tupu ana i runga i tenei hoahoa, na te mea ka whakaitihia e te waatea o te tatau whakaaro.Ko tenei urupare tere tere ki te tono i nga mahi raupaparorohiko raupaparorohiko ki te tukatuka raraunga.
Ka kitea e te 74LS08 te maha o nga waahanga me nga waahanga miihini.He mea tino rongonui i roto i nga pouara raraunga me nga waahanga tukatuka tohu, he whakaaturanga mo tona ahua pakari.He maha nga tohu mo tenei iC i te wa e mahi ana i nga huringa e tupu ana i runga i te mahi pumau, ma te whai hua ki te mahi i nga mahi mahi.Ko te whakaurunga o te koretake o te 74LS08 ki roto i nga waahanga porohita e whakaatu ana i tona mohiotanga.Ko nga punaha modular e kaha ana i te wa e kaha ana te kaha o te miihini me te kore e rere te kaha nui.Ka poipoihia te whakatikatika i nga huringa auaha, tuku whakarereke ki nga whakaritenga hoahoa, kaore i te hiahia ki te whakakapi i nga waahanga.
He aronga-whakaaro pai ki te whakamahi i te 74LS08 e whai wāhi atu ki te kaupapa whakahaere mo te whakahaere waiaro.I tukuna te wehenga wera ki nga mahi tere-tere, te whakauru i nga miihini makariri mo te pupuri i te pono mo te wa roa.Ko enei matapae i runga i te hoahoa ka whakarei ake i te mahinga me te whakawhānui i te koiora o te punaha, ki te whakahāngai me te mohio porohita.Ko te 74LS08 me te Gate te wehe i a ia ano i roto i te hoahoa arorau mamati me tona tere me te taapiri.Ko te whakauru i ona kaha ki te whakarei ake i tana tono, na te mea he pai te kowhiringa i roto i nga waahanga hangarau matua.

I whakapumautia i te tau 1961, ka tiimata te kamupene, he trailblazer i te hurihanga hurihuri, ka peia e te mahi kore mahi.Ko tenei huarahi maia i kaha ki te hoko i a Piripi, e tohu ana i tetahi waahanga o te tipu hihiri.Ko te whakauru ki a Philips te whakapiki i a raatau mahi hangarau me te whakapakari i to raatau tuunga i roto i te ahunga whakamua hiko, ka taea e ratou te tuhura i nga paerua hou.Ko nga takoha a te kamupene e whakaatu ana i te whanaketanga o te mara hiko.He maha nga paanga o a raatau mahi auaha puta noa i nga waahanga maha, e whakaatu ana i te heke mai o te hangarau i honoa me o raatau ahunga whakamua.Ma te poipoi i tetahi ahurea o te whakarei ake, kaore e huri noa i a raatau engari he kaha te hanga i te whakarereke i nga papa hiko.Ko tenei whakapumautanga pumau ki te ahu whakamua i nga mahi hei whakamahi i nga nekehanga umanga nui.Ko te hurihanga mai i nga waahi o te waa ki o raatau momo o naianei i raro i te NXP e tohu ana i te ahua o te auaha me te manatoi.
Ko te 74LS08 e whakahaere ana hei kaituku mamati me te taatai, e mahi tahi ana me nga waahanga whakauru e rua: teitei (3-5v) me te iti (0-2.6v).Ka whai wāhi nui te mahi ki te mahi i nga hononga arorau i roto i nga waahanga mamati, te whakahaere i nga mahi arorau i roto i nga mahi tatauranga.Ko te kaha o te noho i roto i te hiko hiko e whakaatu ana i te pono e noho ana i roto i nga ahuatanga e hiahiatia ana e nga hua arorau.
Kei roto i te maramara wha nga-rua me nga keti, ka waihangahia e te tuku kotahi, i hangaia ki te hapai i nga mahi rereke.Ma tenei hanganga e whakarite te aukati i te whakakotahitanga ki nga hiahia rerekee, te whakatau i nga hoahoa me te whakaiti i te whakamahi kaha.Ko te whakaurunga o nga keti maha i roto i te kotahi maramara e whakaatu ana i te rautaki whai whakaaro ki te waihanga i te waa e aukati ana i te whiu.
Ko te raupapa 74LS00 e tuku ana i te tere tere me te kore e pai, ahakoa kei te whakahekehia te putanga o naianei ka whakatauhia ki te 7400 raupapa.Ko tenei rereketanga e whai waahi ana ki nga ahuatanga kei hea te tiakitanga me te mahi a te mahi.Ko nga rereketanga o te whakatakotoranga i waenga i enei raupapa e whakaatu ana i nga whakaaro whai whakaaro ki te whiriwhiri i nga waahanga arorau e tika ana mo nga kaupapa motuhake.
Ko te 74LS08 te whakamahi i te arorau a TTL me te toha 5V e mau ana, ko te 74HC08 te whakamahi i te hangarau CMOS, ka whakanohohia he waahanga o te 2V ki te 6V ki te 6v.Ko tenei rereketanga o te hangarau e aro ana ki te whānuitanga o nga tono me nga tikanga mana.Ko te ngawari o te hangarau CMOS i te 74HC08 e whakanui ana i tana whaihua i roto i nga ahuatanga e hiahia ana ki te mahi me te kore e whai hua.
Tena koa tukuna mai he uiui, ka whakautu wawe taatau.
i te 2024/10/24
i te 2024/10/24
i te 8000/04/18 147757
i te 2000/04/18 111931
i te 1600/04/18 111349
i te 0400/04/18 83719
i te 1970/01/1 79508
i te 1970/01/1 66886
i te 1970/01/1 63010
i te 1970/01/1 62984
i te 1970/01/1 54081
i te 1970/01/1 52108