
Te 74hc595d He rehita nekehanga 8-bit neke atu i te mahere, he mea tino whakamaheretia ma te whakamahi i te hangarau C2Mos Hangarau Advay.Ko tenei hoahoa mohio e whakarite ana i te tere i te tere AKIT ki nga waahanga LSTTL, te whakakotahi i te kaha o te hangarau o te hangarau CMOS.Ko ona waahanga matua ko te rehita nekehanga 8-bit stratic me tetahi rehita rokiroki 8-bit.I te wa e whakaatu ana te whakauru SCT i te whakawhitinga pai, ka neke haere te raraunga ma te rehita.I tua atu, i runga i te whakawhitinga tika i te urunga RCK, ka whakawhitihia e tenei raraunga te whakawhiti i te rehita rokiroki.
Ko te ahuatanga rongonui o te 74HC595D ko te wehenga o nga tohu RCh me nga Sck me nga tohu taapiri me te pupuri i nga putanga o te waa puta noa i te waa hurihuri.He tino painga tenei ki nga horopaki e hiahiatia ana e te pirau raraunga iti me te pono.Kei roto i te taputapu nga putanga 3-State whakarara e taea ai te hono ki te pahi 8-bit, kia pai ake ai tana taputapu i roto i nga momo whakawhitinga huringa-ki-rite.
Ka taea e koe te huri ki te 74HC595D mo te maha o nga tono whaihua, ko te nuinga i roto i te hurihanga-ki-whakarite me te hononga raraunga.Ko te hoahoa e whakauru ana i nga tikanga whakamarumaru ki te tuku i te whakaputanga o te mate me te rere o te papa ngao ngaohiko.Ka whakamanahia e tenei te pono o te mahi puta noa i nga taiao rereke.I roto i te hoahoa porowhita me te whakatinanatanga, ka whakamoemitihia te 74HC595D mo tona kaha me te kaha e rapua ana mo te whakaheke i te kaha o te whakahaere.Ko tenei ahuatanga e tino whai kiko ana i roto i nga hikohiko hou kei te tino manakohia nga mahi penapena me te mahi.




|
Āhuatanga |
Whakaaturanga |
|
Tere teitei |
fmax = 55 mhz (typ.) i te vcc = 5 v |
|
He iti te wehenga o te mana |
ICC = 4.0 μA (max) i Ta = 25 ° C |
|
Whakapaipai Whakatikatika |
tplh ≈ Tphl |
|
Te whānuitanga o te ahorangi whakahaere |
VCC (OPR) = 2.0 v ki te 6.0 v |
|
Tuhinga |
Parapara |
|
Te wa nui o te wheketere |
12 wiki |
|
Momo Momo |
Maunga Matapihi |
|
Paati / Take |
16-Soki (0.154, 3.90mm whanui) |
|
Te maha o nga waahanga |
1 |
|
Pāmahana whakahaere |
-40 ° C ~ 125 ° C |
|
Whiu |
Tapahia te taapiri (CT) |
|
Rārangitanga |
74HC |
|
Wahanga Mana |
Kakama |
|
Taumata Maha Kore (MSL) |
1 (mutunga kore) |
|
Ngaohiko - toha |
2v ~ 6v |
|
Mahi |
Rangatū ki te rite |
|
Momo Putanga |
Tri-State |
|
Momo Momo |
Rēhita Shift |
|
Te maha o nga waahanga mo ia waahanga |
8 |
|
Te mana o te rohs |
Ka tutuki a Rohs |


|
Wehe |
Whakarite |
Kaihanga |
Momo |
Whakaaturanga |
|
74hc595d |
Wāhanga o nāianei |
NXP |
Nga Rehita Whakawhiti |
NXP 74HC595D Shift Shift, whanau HC, 74HC595, rangatū
Hei riterite, rangatū ki te rangatū, 1E, 8bit, waiwai |
|
74HC595D, 118 |
74h595d vs 74hc595d, 118 |
NXP |
Nga Rehita Whakawhiti |
NXP 74HC595D, 118 Shift Rehita, whanau HC, 74HC595,
Serial ki te whakariterite, rangatū ki te rangatū, 8. 8, 8bit, waiwai |
|
74hc595d-Q100,118
|
74h595d vs 74hc595d-q100,118 |
NXP |
Nga Rehita Whakawhiti |
Tuhinga o mua |
|
SN74HC595N |
74hc595d vs sn74hc595n |
Ti |
Nga Rehita Whakawhiti |
Shift Rehita, whanau HC, 74HC595, rangatū ki te rite,
1Aten, 8bit, reihi, 16pins |
Ko te 74HC595D e tino pai ana mo te whakahaere i nga papa LED, ina koa ko te mahi ki te whakahaere i te maha o nga kaiarahi ma te whakamahi i tetahi microcontroller.Ko tenei Rehita Shift e whakaatu ana i te tukanga o te whakarea, na reira ka tino whakaitihia e te Count Count i runga i te Microcontroller.Hei tauira, i roto i nga punaha whakaatu matatini penei i nga papaa, i nga papa korero hihiri ranei, ka taea te whakarite i te 74HC595D te whakatau i te kaupapa huri noa i te katoa.
Ko te 74HC595D te hono tika me nga mata LCD ma te tuku i nga kohinga raraunga taketake, e whakarite ana i te hongere whakawhitiwhiti korero i waenga i te microcontroller me te whakaaturanga.Ma tenei waahanga e tuku nga whakahoutanga ngawari o te tuhinga whakaatu.He tino whai hua ki nga papa whakahaere o nga miihini ahumahi me nga hikohiko ki nga kaihoko, kei te kaha te whakaatu korero me te waa.Ko tenei whakaurunga e akiaki ana i nga hoahoa taapiri me te utu-utu.
Ko te 74HC595D e kaha ana ki te whakahaere i nga taumaha 5V, penei i te reanga, na roto i te microcontroller o te 3.3v ki tana taumata-taumata teitei.Ko tenei tohu e whai hua ana ki nga taiao e hiahiatia ana e nga miihini hurihuri i roto i nga punaha mana kua oti te aukati.Kei roto i nga tono whaihua ko nga punaha automation kaainga me nga robotics, kei te whai hua te whakahaere i nga waahanga matao teitei mai i te huringa arorangi ngaohiko maeneene me te pai.Ko te whakauru i te 74HC595D e whakarite i nga whakawhitinga maeneene i waenga i nga rohe rereke, na reira te pupuri i te pono o te punaha katoa.
Ko tetahi kaha rongonui o te 74hc5995D ko tana mahi ki te whakanui i te pono me te rahi o nga waahanga hiko.Ko te wheako e whakaatu ana ko nga rehita nekehanga penei i te 74HC595D te pupuri i te pono o te tohu, ko te mea noa i roto i nga whakaurunga LED-nui e rite ana ki nga whakaaturanga a te hoahorau.Ka ngawari hoki te whakahoahoa hoahoa, kia ngawari ake te whakawhānui i te maha o nga whakahaere whakahaere me nga huringa taputapu iti, na reira ko te whakarite kia mau tonu te punaha ki nga hiahia a meake nei.
Ko te whakauru i te 74HC595D ki nga hoahoa o te huringa ka whakarei ake i te kaha o te hoahoa me te whakahaere mana.Ko tona kaha ki te whakakotahi i te mana whakahaere i te tohatoha mana kua whakaritea i roto i nga taputapu hiko-hiko e pa ana ki te tiaki i te kaha o te kaha.Ko tenei painga e hono ana ki nga tikanga hoahoa o naianei e whakanui ana i te kaha o te mana whakahaere i te wa e whakanui ana i nga mahi, i te mea e kitea ana i roto i te hangarau rongoa me nga taputapu rongoa.
Ko te 74HC5995D e mahi ana i nga ahuatanga ka hiahiatia e nga raraunga te whakawhiti mai i te whakatakotoranga raupaparorohiko.He nui te kaha o tenei kaha ki nga momo tono mamati e pai ai te whakahaere i nga raraunga me te tukatuka.Ko nga punaha-a Microcontroller e pa ana ki te aro ki te wero o nga pine GPIo iti.Ma te whakamahi i te 74HC59595D, ka taea e enei punaha te whakahaere tika i te maha o nga putanga me te iti ake o nga titi whakauru, te arotau i nga rauemi e waatea ana.
I roto i nga tono whaitake, ka taea e koe te whakamahi i tenei AC ki te taraiwa i nga tohu arataki, whakahaere ranei i nga taputapu maha, penei i nga toenga, whakaatu ranei i nga waahanga whakaatu.Te tuku raraunga i a raatau, katahi ka piki ake ki roto i nga putanga whakaraerae ka tarai me te whakaiti i te tatauranga titi e hiahiatia ana mo nga mahi uaua.Ko te whakamahinga o te 74HCL5595D kua whakaatuhia mai i te wheako ki te hoahoa raupaparorohiko raupaparorohiko raupaparorohiko, ka nui ake nga papa papaa.
Ko tetahi atu tono whakamiharo o te 74hc5995D tana mahi ki te whakahaere i nga rehita pupuri i nga rehitatanga e mau ana i nga kaiwhakahaere arorau i nga kaupapa (PLC) me etahi atu punaha AUTOHU.Ka taea e tenei taputapu te penapena tohu tohu, ahakoa kaore e kaha haere ana.Ka taea e koe te kite i te whakamahi i te 74HCL595D me nga punaha whakahaere mamao e whakarei ana i te pono me te whakaiti i nga wawaotanga a-ringa.Ano, ko nga rehitatanga e mahi ana hei peehi takawaenga, ko te whakapai ake i te pono o te raraunga mo te whakawhitiwhiti korero tawhiti.Ko te whakaiti i te hiahia mo te tuku raraunga tonu e arahi ana ki te whakaheke kaha ki te kohi kaha me te whakanui i te kaha o te punaha.

Toshibactor & rokiroki me te rokiroki e whakaatu ana i nga rongoā hangarau e kaha ana i nga kaihanga hangarau (OEMS), nga kaihanga hoahoa taketake (CMS), me nga umanga maramara.Ko enei rongoā e whakatairanga ana i te whanaketanga o nga hua whakahiato nui noa atu i nga maakete maha, tae atu ki te rorohiko, te whakawhitiwhiti, te whakawhitiwhiti korero, te miihini whakahaere a te kaihoko.
Ko te tohunga o Toshiba o te semiconductor me te hangarau rokiroki ka kitea i roto i nga momo takoha.I roto i te whakahiato, ko o raatau miiharo me nga rongoa mahara ka tutuki i te mate o te tinana mo te kaha kaha me te whai hua.I roto i nga whatunga me nga whakawhitiwhiti korero, ko nga waahanga a Toshiba te whakarite me te whakawhiti raraunga tere-tere, i whakamahia mo nga tono kino o te umanga hou.Ka tipu te maakete kaihoko mamati me nga mahi auaha a Toshiba, kia pai ake ai o wheako ma te mahi pai o te mahi me te kaha o te mahi.I roto i te umanga automotive, ka peia e te siconductors a Toshiba te whakawhiti ki nga waka mohio me te pai o te kaha.Ko a raatau hangarau te ara mo te ahunga whakamua i roto i nga waka hiko (evs), nga punaha taraiwa motuhake, me nga whakangahau i roto i te motuka.Ko nga wheako whaitake e whakaatu ana ko te whakamahi i nga kaupapa whakahaere mana o Toshiba me nga kaitoro e whakaatu ana i te whānuitanga me te pono, ka tino pai ake a raatau kaihoko me nga kaiwhakanao.
Ko te paanga o Toshiba he tino hohonu ki roto i te whatunga me nga whakawhitiwhiti korero.Ko o raatau waahanga tere-iti me te iti-tapawha e whai hua ana ki te waihanga i nga whatunga o muri-Gen, te nuinga i te puku ki te hangarau 5G.Ka tohaina ano e ratou nga waahanga i whakamahia hei whakarite i te hononga honohono me te whakauru raraunga nui.Ko nga urupare a te Ahumahi e whakaatu ana ko te whakakotahi i nga rongoā a Toshiba e tino pai ana ki te kaha o te whatunga mai i te whanui pūkoro ki te ipurangi.
Nga Kaipupuri Pūhiko Cylindrical.pdf
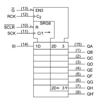
Ko te 74hc5995d te papaaho tuitui e whakakotahi ana i te rehitatanga Shift rangatū 8 me te rehita rokiroki me nga whakaputanga Tri-State.Ka whakamahia e ia nga karaka wehe mo nga rehita rokiroki me nga rokiroki raraunga, me te whakawhiti raraunga i runga i te taha pai o te huringa karaka o te nekehanga.Ko te whakaatu i nga raraunga mai i te rehita rokiroki ka puta i te putanga ka taea te whakauru (OE).
Ko te 74HC595D e whakahaere ana i te kawa-i-roto (SIPO).Ka tukuna e te Microcontroller nga raraunga mo te rehita Shift, i muri mai i nga titi whakarara.Ko ia maramara e whakarato ana i nga titi Putanga e waru, e tuku ana i te whakarahi i ahau / O nga kaha ka whakamahia ngatahi.He maha nga waahanga 74HC595D ka hono atu ki te whirihoranga Daisy-Chain, ka nui ake te piki o nga titi.Ko te nuinga o tenei mahi he whai hua ki nga kaupapa e kii ana i nga tohu whakaputa, penei i te taraiwa i nga tohu maha, i te whakahaere ranei i nga whakaaturanga mamati matatini.Ko te mohio ki te tukutahi i waenga i te Whakauru Raraunga Raraunga me nga tohu Karaka e tika ana mo te mahi pono.I roto i te maha o nga punaha whakauru, ko te waa tino pai ki te whakarite i te pono o te raraunga i te wa e huri ana.
Ko te rereketanga o te tuatahi kei roto i te waitohu me te taapiri motuhake.Ko te Vandix 74HC595D 'e whakaatu ana i tetahi miihini motuhake (iti o te waahanga-rohe-rahi), te rahi o te pāmahana whakahaere, e tika ana mo nga mahi whakangao, mo nga ahuatanga taiao ranei.Ahakoa 74hc595 te ingoa rangatira, ko nga kaihanga penei i nga taputapu o Texas e tohu ana i a raatau waahanga me te 'SN' stafix.Ko te kowhiri i te kapi e tika ana, penei i te 74HC595D, ka taea te whakapai ake i nga mahinga o te punaha me te roa, ina koa ko te whakaaro ki nga hoahoa hoahoa penei i te waahi, te taiao whakahaere ranei.Ko tenei whakataunga ka whakakore i nga wheako o te tau, te aukati i nga whakaritenga hangarau me nga ahuatanga hanga mahi mo nga hua tino whai hua.
Tena koa tukuna mai he uiui, ka whakautu wawe taatau.
i te 2024/10/17
i te 2024/10/17
i te 8000/04/18 147757
i te 2000/04/18 111934
i te 1600/04/18 111349
i te 0400/04/18 83719
i te 1970/01/1 79508
i te 1970/01/1 66899
i te 1970/01/1 63010
i te 1970/01/1 63010
i te 1970/01/1 54081
i te 1970/01/1 52120