
Ko te kowhatu he momo ahuatanga i roto i nga punaha mamati e pupuri ana i tetahi waahanga o nga korero kaore i te tohu i tetahi tohu karaka, kaore i rite ki etahi atu waahanga.Ka mau tonu i tetahi tohu raraunga e pa ana ki nga tohu whakauru, he waahanga nui o te mahara mamati.I te wa e mahi tahi ana te maha o nga putu, ka taea e raatau te pupuri i nga waahanga penei i te "4-bit" ranei "te raina 8-bit," e penapena ana e wha me te waru nga waahanga, aua.He whai hua nga whiu ki nga tono penei i te aukati i nga hapa i puta mai i te toronga o nga huringa miihini me nga poraka whare mo nga punaha mahara matatini.He maha nga momo kara, penei i te SR e whakarite ana me te tautuhi i nga putanga e rua, me nga tohu D ka mau ki nga raraunga ma te whakamahi i tetahi tohu mana.Ko te kato i te taatete tika ka whakawhirinaki ki nga mea e hiahia ana koe ki te mahi me te waahi ka whakamahia.
Te 74HC573 Ko te taputapu CMOS tino mahi e uru ana ki roto i nga taiwhanga D-momo, ia me ona ake whakaurunga me te toru-kawanatanga.Ka taea e koe te whakahaere i enei tohu ma te whakamahi i te latch Whakahohe (le) me te putanga kia taea ai e koe te aukati (OE).Ka whakamahia tenei taputapu ki te whakahiato mo te rokiroki raraunga me te tukatuka, i roto i nga whakawhitiwhiti whakaaro kia taea ai te whakawhiti korero, me nga punaha whakahaere ahumahi.I te whakamahi i te 74hc573, whakaarohia me te whakaaro me pehea te paanga o ia kowhatu i te katoa o te punaha.Hei tauira, i roto i te whakahiato, me taurite te tere o te tukatuka me te pono rokiroki.I roto i nga whakawhitiwhiti korero, ko te arotahi ki nga raraunga taapiri e tautokohia ana e te hoahoanga o te 74HC573.I roto i nga horopaki ahumahi, tona mana e whakarite ana i nga mahi pono i roto i nga momo ahuatanga.
CD4099: Ko te CD4099 tetahi waahanga pai me nga waahanga motuhake.Ahakoa he rite tonu te ahua o te mata engari ko te whakamatautau ka whakaatu i nga rereketanga o te whakamahi me te waa whakautu.
SN74AHCT573DWR: Ko te SN74AHCT573DWT tetahi atu whiringa e tika ana, e mohiotia ana mo tana mahi tere-tere me te pai mo nga mahi tairongo-waa.Ko te whakataurite i tenei waahanga ki te taketake ka awhina i te whakarei ake i nga hoahoa ranei, te tere tere, te whakamahi mana, me te whakahaere wera.

• OE (Whakahohe Pūrere)
Ko tenei PIN e whakahaere ana mena kei te kaha te Q).I te wa e haere ana, ka taea e nga raraunga te rere i roto i nga titi q.He whai hua tenei ina tohatohahia te raina raraunga kotahi, hei awhina i te whakahaere i nga rerenga raraunga.
• LE (Whakahohehia te Rakau)
Ko te mana o te len i te wa e rongoa ana nga raraunga mai i nga titi whakauru (D) i te whiti.Ka whakahohehia, ka raka i roto i nga raraunga, te pupuri i te whakaputanga kia tae noa ki te whakahohe ano i te titi.Ka awhina tenei i nga raraunga ki roto i nga punaha mamati tere.
• D0 ~ D7 (titi whakauru raraunga)
Ko enei titi kei reira nga raraunga Binary e uru ana ki te kumete me te whakamahi mo te wa tika o nga raraunga i roto i nga waahanga uaua.
• q0 ~ ~ Q7 (Puhi Putanga Raraunga)
Ko enei titi ka whakaputa i nga raraunga kua tohua.Ka whakarite kia tukuna nga raraunga ka tukuna i runga i te waa ki nga miihini.
• GND (te tauranga whenua)
Ka hono atu tenei PIN ki te whenua, te whakarato i tetahi waahanga tohutoro e mau tonu ana i te waahi.
• VCC (toha noa)
Ko tenei PIN e whakarato ana i te mana e hiahiatia ana mo te tapenakara hei mahi.Me rite te huringa ki nga whakaritenga a te taputapu mo te mahi tika.
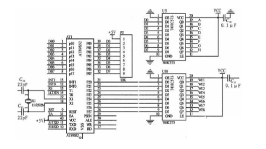
Ko te raina 74HC573 ka whaaia e waru nga titi 3-waea, wehea kia rua nga tauranga motuhake e rua.Kei ia tauranga te whakatakotoranga ake o ona ake whakaurunga me nga titi Putanga, e tuku ana mo te whakahaere i nga raraunga 8-bit.Ko te mea nui ko tana tauranga whakauru bidirectional e whakatairanga ana i te whakahaere me te whakahaere raraunga hihiri.Ano hoki, ko te maumahara e waru-a-roto e pai ana ki te penapena i tetahi raupapa Binary 8-iti.
Ko te 74hc573 he pai mo te whakahaere i nga raraunga.He pai te mahi me nga momo arorau rereke e pa ana ki nga whakaurunga o te TTL.Ka taea e tenei taara te whakahaere i nga kauri tae atu ki te 25MHz, e whai hua ana mo nga mahi raraunga tere rite ki nga tono taimaha.Ko tana kaha taraiwa kaha e whakarite ana i te tuku raraunga pono.
He pai te 74HC573 mo te hurihanga raraunga tere.Ka tere te whakahaere i nga tohu, na reira ka whiwhi koe i nga whakahoutanga kaore he whakaroa.Kua oti te whakarite-i roto i te whakamarumaru ki nga taonga hiko, ko te tikanga he pono ake, he roa ake hoki i roto i nga tono nui.
Ko te raina 74hc573 e whakamahi ana i te papaa D-momo e waru ki te whakahaere i nga rerenga raraunga.Anei me pehea te mahi:
• Ka whakahohehia (G High): Ko te putanga (Q) e tika ana ki te whakauru (D) tika.
• Ki te ngoikore (g iti): Ko te kowhatu e mau ana ki te uara whakauru whakamutunga, "maukati" i te waahi.
Ka taea e tenei kowhatu te pupuri i nga raraunga ahakoa te whakahohe i nga huringa tohu, he mea nui kia mau tonu te raraunga.Ka mahi takitahi, ka taea e ia te hopu i nga raraunga hou i a koe e mau tonu ana ki nga raraunga tawhito.Mena he mea hou koe ki tenei, whakaarohia ia latch mo te waahanga mahara iti ka taea te tuku i nga raraunga ma te pupuri, i runga ano i te tohu mana, i tapaina "G."Ina whakahoutia te tohu (g te teitei), he maamaa te tohu "," Ko te tikanga ka taea e nga raraunga katoa te tuku tika ki te putanga.Heoi, i te wa e iti ana te tohu (g iti), ka kati te kuaha, ka mutu te kowhatu ki te whakawhiti raraunga hou.Engari, ka raka ki te pupuri i te waahanga whakamutunga o nga raraunga i mua i te kati i te tatau, kia mau tonu ai te putanga kia piki ake ano te tohu.Ahakoa nga huringa raraunga whakauru, ka mau tonu te putanga, he iti tonu te wa, ko te whakarite i te pono o te tohu, me te tuku i te punaha ki te tuku korero.
Tuatahi, kia mohio koe ki te hono atu i nga titi whakauru (D0-D7) ki nga titi Putanga o to CPU, kaiwhakahaere humarie ranei.Ko enei hononga e hiahiatia ana mo te rere raraunga, na reira whakamahia nga taura poto, kounga teitei hei aukati i te ngaronga o te tohu.Na, hono atu i nga titi Putanga (Q0-Q7) ki to taputapu tuarua.Ka noho tonu nga raraunga kia taea ra ano te whakahohe i te putanga (OE) PIN, ka taea e koe te tuku i nga raraunga ka hiahia koe.
Ko te CPU te utu ma te tuhi raraunga ki te whakauru (D0-D7), ka taea te whakaputa i te putanga (OE) me te latch kia taea ai te whakahaere i nga rerenga raraunga.Ma tenei ka whakarite tika te tuku me te tuku i te waa.Ko te mana o te OE Pin mehemea ka kitea nga raraunga kua kitea i runga i nga titi putanga;I te wa e iti ana, kei te haere nga raraunga i runga i te Q0-Q7, engari ka teitei, ka uru nga putanga ki te ahua nui-nui, ka uru ki te raau.I tetahi atu taha, ka whakatauhia e te Le Pin i te wa e whakarewahia ana nga raraunga whakauru: I te wa e kaha ana, e whakaatu ana i te ahua o te D0-D7, i te wa e iti ana te kowhatu i nga raraunga whakauru whakamutunga.Te whakarato i te putanga pumau.
Mo nga mahi raraunga matatau e pa ana ki te maha o nga peripherals, maha 74HC573 ka taea te whakaraerae.Te tikanga o ia chip Ka taea e nga tohu me nga tohu mana whakahaere kia kore e tautohetohe me te whakarite i te whakawhiti raraunga koretake.Ko te whakamahere tika o nga tohu whakahaere e pupuri ana i te pono o te tohu puta noa i nga maramara cascading.
Ko nga Kaitohutohu me nga Kaitautoko Tuhia te haruru, me nga raina toha mana, me te whakaiti i nga whakaaro huritao hei whakakore i nga rerenga raraunga.Ko te waahi tata o te tau 74hc573 ki te CPU me nga peripherals e whakaiti ana i te whakaroa me te wawaotanga, te whakarei ake i te tere me te pono.Ko te whakamahinga o nga rererangi whenua me nga taura whakangungu i roto i te hoahoa PCB i etahi atu o nga tohu pono e tohu ana i te pono, ko te whakarite kia pai te whakahaere raraunga.
I mua i to awhi i nga raraunga hou, ka whakamarama i nga raraunga o naianei i te rahanga 74hc573.Whakatinana i te mahinga reanga i te waa o te waa tuatahi ki te whakapiki i te tika o nga raraunga.Na roto i te whakahaere, me te whirihoranga tika, me te aro ki te kounga tohu me te tahora, ka tae tetahi ki nga mahi o te tuku raraunga me nga mahi rokiroki.

Ko te 74hc245 he kaiwhakawhitinga 8-bit rongonui me nga putanga e toru-whenua, i hangaia mo te whakawhitiwhiti korero me te whakawhitiwhiti korero.Kei te whakamahia te nuinga o te waa ki te whakahaere i nga raraunga o te moni bidirectional i waenga i nga pahi e rua.Ko te taputapu e whakaatu ana i te mana whakahaere, e taea ai e nga raraunga te neke i nga huarahi e rua.Ko te 74hc573, i tetahi atu taha, ko te latch d-momo e pa ana ki nga putanga e toru-whenua.Ka whakamahia mo te rokiroki raraunga mo te wa poto me te pupuri korero tae noa ki te hiahiatia.Ko te tohu tohu e whakaatu ana i te rere o nga raraunga ka pa ana ki nga tohu taapiri.
74HC245 e kaha ana ki te whakahaere i nga raraunga e tika ana i waenga i nga pahi ma te tuku mana whakahaere.Ahakoa, 74HC573 te tuku i te tikanga pumau ki te tarai i nga raraunga, ka pupuri kia tae noa ki te punaha me whakamahi ia.Ko te arotahi motuhake ki te rokiroki raraunga ka pai te 74hc573 e tika ana mo nga tono kei hea te tiimata o te raraunga he kaupapa matua.74HC245, me ana kaha ki te tuku, ka whakaatu i te huarahi whakahaere raraunga hihiri.Kaore i te rite ki te 74HC573, e mau ana i te pupuri i te pono o te raraunga i te wa e tukatuka ana, ko te 74HC2245 e rere ana ki te ngawari ki nga hihiri whakahaere.
I te wa e whakakapi ana i te 74HC573 me te 74HC245 i roto i nga hoahoa hurihuri, he mea nui kia kite i o raatau rereketanga.Ko te mana whakahaere raraunga a te Bidirectional o te 74H245 ka taea te kapi i etahi mahi o te 74HC573.Heoi, i te mea ko te 74HC245 kaore he waahanga taapiri, kaore e taea te pupuri i nga raraunga i runga i ona ake me te kore waahanga taapiri.Ko te tikanga o tenei ko te whakakapi i te 74hc573 me te 74hc245 ka pa ki te kaha o te waahi ki te pupuri tonu i nga raraunga.I tetahi atu taha, ki te mea ko te arotahi ki nga whakawhitinga raraunga tere me te whakawhitiwhiti korero maeneene i waenga i nga pahi, ko te 74hc245 he whiringa pai ake, whakarei ake i te aro o te punaha.
Ko te 74HC573 he kara-iti-momo-momo-iti me te putanga 3-State, e taea ai te whakauru (LE) me te putanga.I te mea he tiketike, ko nga raraunga i roto i nga whakauru ka uru ki nga kara.He mea nui te mahi i roto i nga ahuatanga e hiahiatia ana me te rokiroki raraunga mo te takawaenga me te whakaari, te whakarite i nga mahi pahi i whakaritea me te pai.Ko tenei waahanga e whakamahia ana i roto i nga punaha Microcontrortrorty mo te aukati i nga raraunga me nga pahi pahi.
Ko te 74HC573 he karaati tuuturu D-momo, kua whakahohehia e te putanga teitei.Ko te 74hc574, i tetahi atu taha, ko te Oct Flip-Momo, whakahohehia e te taha pai o tana putanga Le.Ko te 74HC573 e taea ai te whakawhiti raraunga-pono i te mea he tiketike, kei te kaha te rere o nga korero e hiahiatia ana.Ko te hopu 74H574 ka mau me te pupuri i nga raraunga i te whakawhiti i te riipene, me te whakarite i te huringa pupuri raraunga-raraunga.He painga tenei ki nga tono whakawhiti raraunga raraunga.
Ko te kohinga anga anga angamaheni mo te 74HC573 mai i te 2.0V ki te 6.0v.Ko tenei momo e whakaatu ana i te ngawari, ka taea te whakauru i te 74HCL573 kia uru ki nga punaha rereke me te iti o te hiahia mo te whakatikatika mana.Ko taua whakamaaramatanga e whakaatu ana i te kaha o te kaha ki te whakaoti i nga hoahoa o nga waahanga rereke, na te mea ka pai ake te tono mo nga tono-whai mana.
Ko te 74HC573 te mahi hei tohu maeneene me te whakaputa 3-kawanatanga, e kaha ana ki te penapena me te whakaputa i nga waahanga e waru o nga raraunga i roto i nga waahanga hiko mamati.Ko tana mahi hei kaipupuri raraunga takawaenga he pai ki te whakahaere i nga rerenga raraunga i waenga i nga waahanga rereke.He nui te whakamahinga o tenei mahi i roto i nga tono e tono ana i te mana whakahaere mo te waatea o nga raraunga me te whakahaere i te whakahaere.Ka awhina nga tohu i te tika o te raraunga me te pumau pūnaha.
Tena koa tukuna mai he uiui, ka whakautu wawe taatau.
i te 2024/09/24
i te 2024/09/24
i te 8000/04/18 147758
i te 2000/04/18 111960
i te 1600/04/18 111349
i te 0400/04/18 83726
i te 1970/01/1 79512
i te 1970/01/1 66930
i te 1970/01/1 63078
i te 1970/01/1 63019
i te 1970/01/1 54086
i te 1970/01/1 52157