
Whakaahua 1. Whakaaturanga e whitu-waahanga
Ko te whakaaturanga e whitu-waahanga he waahanga hiko i hangaia hei whakaatu i nga nama me etahi reta e whakamahi ana i nga waahanga e whitu-marama e whakarite ana i te whakatakotoranga ahua-waru.Ko ia waahanga, i tapaina he G, ka maama ake te hanga nama mai i te 0 ki te 9. He waahanga tuawha iti, ko te tikanga ka taea te whakauru ki te tohu tohu.
Ko ia waahanga he kaiarahi e whakaatu ana i te maama ka whai mana.Ko te whakaaturanga e mahi ma te tono i te ngaohiko puta noa i nga pito o nga tau, ka puta he maama ki te hangairo.
Ko nga whakaaturanga e whitu-waahanga i rongonui i te tau 1960 me te 70s i runga i nga mahi a nga hangarau whakaatu i mua i nga ngongo nixe me nga tohu miihini.Ko enei whakaaturanga hou i ngawari ake te taraiwa, te iti ake o te mana, a he roa tonu.Kia tae ki te mutunga o te 70s, he paerewa ratou i roto i nga taatai, nga karaka, me nga taputapu ine.
Ahakoa i tenei ra, ko enei whakaaturanga e whakamahia whānuitia ana i roto i nga taputapu e hiahia ana ki te whakaputa tika, pono.Ka tukuna e ratau te kaha kaha, he kaha te kitea, me te arorau tika.Kua pai ake nga taonga Led e pai ake ana, kia roa ake ai te roa, hei awhina i a raatau mahi ki nga taputapu taapiri me nga punaha ahumahi nui.
E whitu nga waahanga waahanga e haere mai ana i roto i nga momo matua e rua, i runga i te pehea o nga kaiarahi o roto: he uaua noa (ca) me te cathode noa (cc).Ko te rereketanga kei te pehea nga waahanga o nga waahanga e whakaatu ana i nga hononga hiko.
I roto i tetahi whakaaturanga a-roto, ko nga taha pai katoa (ko nga rohe) o nga kaiarahi e hono tahi ana.Ko tenei roopu hononga honohono e hono ana ki te tuku mana pai.
Hei huri i tetahi waahanga (ko tetahi waahanga o te whakaaturanga nama), ka tukuna e koe he tohu iti (ko te tikanga he hononga ki te whenua, 0 volts ranei) ki te taha kino o taua waahanga.Ma tenei ka taea e te hiko te rere me te rama rama.
Ko tenei momo whakaaturanga e mahi pai ana me etahi momo taapiri mamati, ina koa ko nga mea kua hangaia hei kukume mai i te whenua.He tauira ko te TTL (Trantistor-Trantistor) nga waahanga.

Whakaahua 2. Whirihoranga Aude noa

Whakaahua 3. Teepu pono
I roto i te whakaaturanga Caethode noa, ko nga taha kino katoa (Cathodes) o nga kaiarahi e hono tahi ana me te hono ki te whenua.
Hei whakamarama i tetahi waahanga, ka tukuna e koe he tohu nui (he ngaohiko, penei i te 5V) ki te taha pai (hede) o taua waahanga.Na tenei ka rere te hiko mai i te PIN pai na roto i te arahi ki te whenua, me nga rama e piki ake ana.
Ko nga whakaaturanga Caethode noa e ngawari ake ana ki te whakamahi me te arduino, te rspberry PI, na te mea ka taea e enei whakaaro te tuku tika mai i o raatau tohu nui.

Whakaahua 4. Whirihoranga Katiti noa

Whakaahua 5. Te Ripanga Tika

Whakaata 6. Te tirohanga o runga o te whakaaturanga waahanga e whitu
Ko ia mati tohu e whitu nga waahanga kei roto i te whitu o nga kaiarahi e rite ana ki te tauira tapawha e rite ana ki te "8".Kua tapaina nga waahanga i roto i te G, me nga waahanga whakapae e toru (A, g, d) me nga mea e wha (b, c, c, f).Ko etahi o nga whakaaturanga kei roto hoki he waahanga whakatau, kei te taha o te kokonga o raro.

Whakaahua 7. Whakatauranga, ira ira ranei
Ko nga whakaaturanga hou o tenei ra ka whakamahi i nga ara e mau ana i te papa ka uru ki roto i te kirihou, ki te peehi ranei.Ko te whakaaturanga whakaaturanga e whakaatu ana i nga arai ngawari hei aukati i te rere mai i nga waahanga tata ki nga waahanga noho tata.Ko te tikanga ka tukuna te peera, te piripiri ranei hei awhina i te maama me te whakapai ake i te rereke.
Ko nga whakaaturanga a-rua-ira paerewa kotahi tekau nga pine: kotahi mo ia waahanga e whitu, kotahi mo te ira whakataunga, kotahi, e rua ranei mo te tauranga noa.Kei roto i te keehi, nga waea angiangi, nga taara ranei e hono ana i ia waahanga ki tana titi.
Ko etahi o nga whakaaturanga kei roto i nga tuuru i hangaia hei whakahaere i naianei, ko etahi e hiahia ana ki nga turoro o waho.He pai te hoahoa thermal e awhina ana i te whakaaturanga i roto i te waa roa, ara i nga taiao whakawero.

Whakaata 8. Te tirohanga o raro o te whakaaturanga waahanga e whitu

Whakaahua 9. Whakaahua PIN
|
PIN tau |
Hono
Tapahanga |
Mahi |
|
Pin 1 |
E |
Te whakahaere i te waahanga e |
|
Pin 2 |
Pāt |
Ko nga waahanga whakahaere D |
|
Pin 3 |
Com (pine noa) |
He-ade or caetde ranei |
|
Pin 4 |
C |
Ko te Wahanga C |
|
Pin 5 |
Kp |
Whakahaerehia te tohu whakatauranga (DP) |
|
Pin 6 |
Pē |
Ko te Wahanga B |
|
PIN 7 |
He |
Te whakahaere i te waahanga A |
|
Pin 8 |
Com (pine noa) |
He-ade or caetde ranei |
|
Pin 9 |
W |
Te whakahaere i te waahanga F |
|
Pin 10 |
Pē |
Te whakahaere i nga waahanga G |
Ko te whakaaturanga e whitu-waahanga e mahi ana ma te rama i nga waahanga motuhake hei hanga i nga nama, i nga reta ngawari ranei.Ko ia waahanga ko te tangata takitahi i arahi i te wa e rere ana i roto i te huarahi tika.

Whakaahua 10. Whakaaturanga Whakaatu
Hei whakaatu i tetahi nama, ka huri te punaha ki te whakakotahitanga tika o nga waahanga.Hei tauira, ki te whakaatu "0," nga waahanga katoa engari ko te G LIT.He rama "1" anake te rama B me C. Ko enei whakakotahitanga e rongoa ana i te mahara o Microcontropler, i tukuna ranei e te maramara decoding.

Whakaata 11. E whitu nga waahanga taapiri waahanga
Ko etahi reta penei a, c, e, ka taea te whakaatu i te F, engari he maha atu nga mea e uaua ana ki te tohu mo te tatau o te waahanga.He uaua nga reta penei i te Q or R ranei te whakaatu marama.
I roto i nga punaha me te neke atu i te kotahi mati, ka whakaatu nga whakarea.Koinei te tikanga ka riro noa te mati kotahi i te wa, engari ka tere te hurihuri i waenga i nga tataurangaKa penapena tenei i te mana me te whakaiti i te maha o nga hononga e hiahiatia ana.
Ka taea te whakamahi i te ira whakataunga mo nga hautau, wehe i te waa, i te tohu motuhake ranei.Ko etahi o nga karaka ka whakamahi i nga tohu whakataurite rite ki nga koni.

Whakaata 12. E whitu nga waahanga Whakaaturanga Taha
Hei whakaatu i nga nama i runga i te whakaaturanga e whitu-waahanga, ko ia matie e whakamarama ana i nga huinga motuhake o nga waahanga.Ko enei tauira ka rongoa hei waehere Binary.He rereke nga waehere mo nga motuka noa me nga momo waituhi noa, i runga ano i te pehea o nga waahanga.Ko te ripanga i raro nei e whakaatu ana i nga waehere mo nga matie 0 ki te 9.
|
Matiwini |
Nga reinga rama
(A-g) |
Waehere Binary
(Cathode noa) |
Waehere hex (cc) |
Waehere Binary
(Herode noa) |
Waehere hex (ca) |
|
0 |
A, B, c, d, e, f |
0B00111111 |
0x3f |
0b11000000 |
0xc0 |
|
1 |
B, c |
0b00000110 |
0x06 |
0b11111001 |
0xf9 |
|
2 |
A, b, d, e, g |
0b010110111 |
0x5b |
0b10100100 |
0xA4 |
|
3 |
A, B, c, d, g |
0b010011111 |
0x4f |
0b10110000 |
0xB0 |
|
4 |
B, c, f, g |
0b01100110 |
0x66 |
0b10011001 |
0x99 |
|
5 |
A, c, d, f, g |
0b0110101 |
0x6D |
0b10010010 |
0x92 |
|
6 |
A, c, d, e, f, g |
0b01111101 |
0x7d |
0b10000010 |
0x82 |
|
7 |
A, b, c |
0b00000111 |
0x07 |
0b11111000 |
0xF8 |
|
8 |
A, B, c, d, e, f, g |
0b0111111111 |
0x7f |
0b10000000 |
0x80 |
|
9 |
A, b, C, D, f, g |
0b011011111 |
0x6f |
0b10010000 |
0x90 |
He ruarua noa nga huarahi hei whakahaere i te whakaaturanga.Me haere atu i a raatau mai i nga mea ngawari ake ki te matatau.

Whakaahua 13
Ko te huarahi ngawari ki te whakahaere i tetahi matie ko te hono i ia waahanga ki tana ake Pin i runga i te Microcontroller.He pai tenei mo nga kaupapa iti e whakaatu ana i te nama kotahi.
Mo te whakaaturanga anode noa, ko nga taha pai katoa (antodes) o nga kaiarahi e hono ana ki te mana (penei i te 3.3V, 5V ranei).Ko te taha kino (caethode) o ia waahanga ka haere i te arai ka tae ki te titi i runga i te microcontroller.Ka tukuna e te Microctler te tohu iti, ka huri te waahanga.
Ma tenei huinga e tuku te mana whakahaere o ia waahanga, kia taea ai e koe te mahi.Engari he maha nga pine, e whitu mo nga waahanga me tetahi atu mena ka whakamahia e koe te tohu whakatau.Hei tauira, ka hono atu koe ki nga titi PA0 ma te pa7 i runga i te Arduino, he STM32 ranei ki ia waahanga.Ko nga kaiwhaiwhai (huri noa i te 220-330 ohms) te tiaki i nga kaiarahi mai i te nuinga o te waa.
He ngawari tenei tikanga, engari ki te hiahia koe ki te whakaatu neke atu i te kotahi mati, kaore e pai te mahi, ka rere koe i nga titi.Koina te mea pai ake ki te whakamahi i te maha o te maramara taraiwa whakaatu.

Whakaahua 14. Ko te taraiwa taraiwa hurihuri mo nga whakaaturanga waahanga e whitu
Mena kei te hiahia koe ki te whakamahi neke atu i te kotahi mati, hono i nga waahanga katoa ki te Microcontroller e hiahia ana kia maha nga pine.Ko te whakarea te mea he tinihanga hei awhina i a koe ki te whakahaere i nga tohu maha ma te whakamahi i nga titi iti.
I roto i te maha o nga nama, ko nga tohu katoa e tiri ana i nga waea waea kotahi.Engari kotahi noa nga rama rama i te wa.Ko nga huringa microcontroller i waenga i nga mati e tino tere ana, na reira ka rite ki nga nama katoa kei te kotahi.
Ko ia matie ka huri ki te whakamahi i te kaiwhiwhi.Ka tukuna e te Microcontroller nga raraunga mo te mati ka huri ki tana kaihoroi.Katahi ka neke ki te mati e whai ake nei, me era atu.Ka tere tonu tenei ka kite i ou kanohi i te katoa o te waa kotahi.
Ka hiahia koe kia whitu nga waea waea e whitu me te waea kotahi mo te kaiwhiwhi o ia mati.Ka taea hoki e koe te whakamahi i te maramara penei i te rehita SN74HCC595.Ka taea e koe te tuku i nga raraunga me te iti noa o te titi me te whakahaere i nga waahanga ma te whakamahi i nga titi ruarua noa iho.Ma tenei ka pai ake te utu, ka awhina i a koe ki te hanga i nga whakaaturanga nui ake.

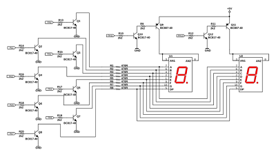
Whakaata 15. E whitu nga whakaaturanga whakaaturanga e hono ana ki a Arduino
Ka ako koe, kei te hanga ranei i tetahi prototype, he mea noa ki te whakahaere i te whakaaturanga ma te ringaringa me te Arduino.Ko te whakaaturanga e whitu-waahanga e waru nga kaiarahi e rite ana ki te "8."Ko nga waahanga e kiia ana ko te G, me tetahi taapiri mo te tohu whakatauranga (DP).
Ka hono koe i ia waahanga ma te arai ki tetahi titi i te Arduino.Mena kei te whakamahi koe i tetahi whakaaturanga Caethode noa, ka haere te pine noa ki te whenua.Hei whakamarama i tetahi waahanga, ka tukuna e Arduino tetahi tohu nui ki te titi o te waahanga.
I roto i nga whakaaturanga Caethode noa, ka huri te teitei i te waahanga.I roto i nga whakaaturanga Ade noa, ka hiahia koe ki te tohu iti.He mea nui kia mohio koe ko tehea momo whakaaturanga e whakamahia ana e koe kia tuhia e koe te tohu tika.
Hei tauira, ki te whakaatu i nga nama 0 ki te 9, ka huri te tohu Arduino ki nga waahanga tika mo ia nama.He pai tenei tikanga mo te mahi, engari kaore e pai te mahi mo te kotahi o te mati mena ka tapiritia e koe te maha o te maramara taraiwa.

Whakaahua 16. Ma te whakamahi i te taraiwa 4511
Ki te pai ake o nga mea ka whakaora i nga titi microcontroller, ka taea e koe te whakamahi i te maramara penei i te CD4511.Ko tenei maramara ka tango i tetahi nama rua-rua me te rama i nga waahanga tika hei whakaatu i nga matie 0 ki te 9.
Ka taea e koe te hoatu i te maramara tana whakauru mai i nga kauri, i te microcontroller ranei.I te huringa o te whakaurunga, ka maama te maramara i te nama tika i runga i te whakaaturanga.Ka tiakina e nga kaiwhaiwhai nga kaiarahi, ka mutu te aukati i te aukati i te wa e kore ai e peehia nga huringa.
Ko te maramara 4511 ka hangaia te waea me te tohu ngawari.Engari ki te whakahaere i ia waahanga, ka tukuna noa e te Microcontroller te nama kotahi, ka tiakina e te maramara te toenga.
I roto i nga kaupapa roa atu, ka taea e nga Microcontroller te korero ki te whakaatu i nga taraiwa ma te whakamahi i nga tikanga whakawhitiwhiti penei i te i2c or spi ranei.Ma tenei ka ngawari ake te whakahaere i nga nama maha me te kore e whakamahi i nga tini titi.
Ko te hanga i tetahi huinga whakaaturanga e whitu-waahanga mai i nga waahanga taketake he huarahi pai ki te ako i te hikohiko.Ka hiahia koe ki tetahi waahanga whakaatu, he maramara decoder (penei i te 4511), nga kaiwhakamaori, ka huri te reihi (me nga paatene), me te papapa.
Hipanga 1: A tuu i te 4511 i runga i to papa reti me te hono ki te titi 16 ki te mana me te pini 8 ki te whenua.
Hipanga 2:Piti waea 1, 2, 6, me 7 (BCD whakauru) ki te huri ma te 10k nga tuumomo totoka.Ma tenei ka uru atu koe ki nga uara o te ra.
Hipanga 3:Hono Lt (rama rama) me te le (latch Whakahohe) ki a VCC, me te whenua o te BI (whakauru whakauru).
Hipanga 4:Tūhono Pins 9-15 (putanga A-g) ki te whakaatu i roto i te 220-47-470ω.
Hipanga 5:Herea nga titi o te whakaaturanga whakaatu ki te whenua.
Na, ka huri i nga huringa ka hurihia te whakauru BCD me te whakahou i te whakaaturanga.Ka taea e koe te taapiri i nga waahanga penei i nga tohu whakataurite, he nama tuarua ranei mo te mahi.Ma te whakamahi i tetahi microcontroller hei utu mo nga huringa whakaroro ka tuku koe ki te torotoro i te mana whakaatu ki te whakaatu me te hihiri whakaatu.
• He ngawari ki te whakamahi: he maamaa te whakaaturanga e whitu-waahanga.E whitu nga rama iti (e kiia ana ko LEDS) ka whakarite i tetahi nama mai i te 0 ki te 9. Ka huri noa koe i nga rama tika.Na tenei ka pai ake mo nga timatanga me nga kaupapa iti penei i nga karaka mamati, i nga nama ranei.
• Te utu iti: Ko enei whakaaturanga he iti noa te utu me te hoko.No te mea he ngawari ratou, ka whakamahi i te hangarau taketake, kaore e nui te utu.Na tenei ka tino tika mo nga kaupapa tahua-iti ranei nga hua e tika ana kia noho utu.
• Ka whakamahi i te mana iti rawa: kaore e hiahiatia ana e nga pouaka e whitu nga waahanga hiko hei mahi ma te LCD.Ahakoa nga putanga LED e kore e tino kaha ki te whakamahi i te huarahi tika.Koinei te take e pai ana ratou mo nga whakaaro e rere ana i nga pākahiko.
• He ngawari ki te panui: He maamaa nga nama i runga i te whakaaturanga e whitu-waahanga.Ko nga momo LED e kaha ana ka kitea i roto i te pouri, i tawhiti ranei.Koina te take i kite ai koe i a raatau i roto i nga karaka whakaoho me nga taputapu inenga taketake.
• Te kaha me te roa - te roa - kaore i te neke haere enei whakaaturanga, na reira kaore e pakaru.Ko nga rama o roto (ara) ka roa te waa roa.He pai hoki ta ratou mahi ahakoa he wera, he makariri, mena ka pakaru te taputapu.
• Te penapena iti me te waatea: He iti nga whakaaturanga e whitu-waahanga, he pai hoki te pai o nga waahi.Ka taea e koe te whakanoho i te maha o nga taha-taha ki te whakaatu i nga tau roa me te kore e nui te waahi.He tino tika ratou mo nga taputapu whakahiato.
• Kaore e taea te whakaatu i nga kupu katoa, tohu ranei: Ko enei whakaaturanga ka hangaia hei whakaatu i nga nama, kaore i nga reta, tohu tohu ranei.Ka taea e ratou te whakaatu i etahi reta ngawari (penei i te, b, c), engari kaore katoa.No reira kaore he pai mo te whakaatu i nga kupu katoa, i nga rerenga korero ranei.
• Kaua e ngawari ki te hoahoa: Kua whakaritea te ahua o nga waahanga, na kaore e taea te whakarereke i te ahua o nga nama.Kaore e taea e koe te whakaatu pikitia, i nga tohu motuhake ranei.Ka whakatauhia e tenei nga whiringa hoahoa mo etahi atu hua huatau, hua hou ranei.
• He uaua ki te kite mai i etahi o nga koki: me nga momo LED, ka uaua ki te panui i nga nama mena kaore koe e titiro tika ki a raatau.Mena ka titiro koe mai i te taha, ki te mea he maama noa iho, he uaua pea te kite i nga nama.
• Ka taea e nga momo LED te whakamahi i te kaha ake: ka nui ake te hiko o te hiko nui atu i te LCD, ina koa he maha nga waahanga kei te waa katoa.Ka taea e tenei te raru mo nga taputapu miihini-hiko kei hea te mana whakaora.
• Mena ka pakaru tetahi waahanga, he uaua ki te panui: Mena ka mutu tetahi o nga rama (nga waahanga) ka mutu te mahi, ka he he he he.Hei tauira, ko te nama 8 pea ka rite ki te 0 mena ka ngoikore te waahanga waenganui.Ka taea e tenei te whakapohehe i etahi atu.
• Ko te kukume he uaua mo te maha o nga mati: e whakaatu ana i te kotahi mati te tikanga o nga waea me nga waahanga.Ka hiahia pea koe ki nga maramara motuhake me nga mahi taapiri hei hono i nga mea katoa.Ka taea e tenei te mahi i te hoahoa me te whakamahere kaupapa, ina koa mo nga tiimata.
Ko nga whakaaturanga e whitu-waahanga he taputapu ngawari me te whai hua mo te whakaatu nama.Ka whakamarama ratou i etahi waahanga (e kiia ana ko nga waahanga) ki te hanga nama mai i te 0 ki te 9. E rua nga momo, e pa ana ki nga wehenga.He ngawari noa enei whakaaturanga ki te hono, kaua e whakamahia te mana nui, a he pai ki nga taputapu taketake ano he karaka, he mita, me nga taputapu miihini.Ka taea e koe te whakahaere i a raatau i nga huarahi rereke, mai i te tohatoha tika ki te whakamahi i nga maramara hei whakaora i te waahi ka ngawari ake.Ahakoa kaore e taea e raatau te whakaatu i nga kupu katoa, i nga whakaahua papai ranei, he pai tonu te whiriwhiri i te wa e hiahia ana koe me te whakaatu ngawari.
Tena koa tukuna mai he uiui, ka whakautu wawe taatau.
Ko te whakaaturanga e 7-waahanga e whakaatu ana i nga nama noa me etahi reta, i te whakaaturanga 14-waahanga e whakamahi ana i nga kaupapa e rua me nga tohu taapiri.
Ae.Ki te kore he whakahe, ka taea e nga kaiarahi te utu nui rawa atu ka tahuna atu.Ko te tikanga, 220ω ki te 470ω nga kaimoana e whakamahia mo ia waahanga.
Whakamahia te Aratau Whakamātautau Dioditter: Hono i te PIN noa me te Probe i ia waahanga.Mena ka marama nga waahanga i te wa e pai ana te uiui pai i runga i te titi noa, he keehi noa;Mena ko te uiui kino kei runga i te titi noa, ko te hede noa.
Ko nga whakaaturanga paerewa paerewa e pa ana ki te 1.8V ki te 3.3v mo te waahanga, engari ka peia me te hunga arorau me te aukati i nga wa o naianei ki te whakahaere i te maama.
Kaore i te tika.Heoi, ka taea e koe te whakamahi i nga microcontroller, i nga taraiwa ranei ki te whakamahere me pehea te whakaatu i nga nama, nga pakiwaituhi, nga nama ranei.
i te 2024/01/16
i te 2026/03/17
i te 8000/04/18 147757
i te 2000/04/18 111934
i te 1600/04/18 111349
i te 0400/04/18 83719
i te 1970/01/1 79508
i te 1970/01/1 66900
i te 1970/01/1 63014
i te 1970/01/1 63010
i te 1970/01/1 54081
i te 1970/01/1 52120